





Товар в наличии
Цена по запросу
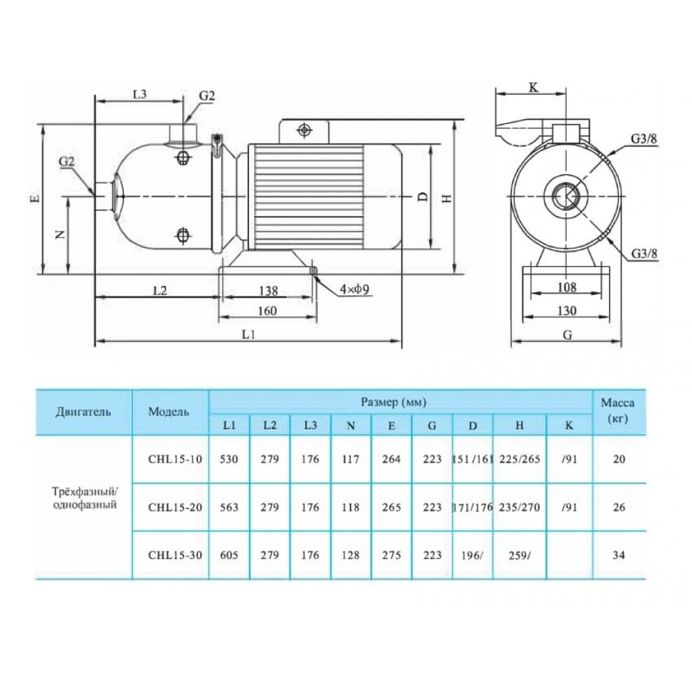
CNP CHL 15-30 LSWSR представляет собой трехфазный горизонтальный многоступенчатый несамовсасывающий центробежный электронасос, высокотемпературное исполнение. Насосный агрегат состоит из проточной части и электродвигателя с основанием. Гидравлическая часть собрана из секций (направляющий аппарат + рабочее колесо) на удлиненном валу электродвигателя, стянута с использованием специальных стяжек с резьбовыми концами и помещена в общий корпус, изготовленный из нержавеющей стали.
Насос CNP CHL 15-30 LSWSR предназначен для перекачивания чистой неагрессивной горячей воды с температурой до 105ºС, pH 5-9, без взвешенных частиц, в системах водоснабжения жилищно-коммунального хозяйства и промышленных систем:
- установки повышения давления в системах водоснабжения,
- системы кондиционирования воздуха,
- системы охлаждения, циркуляции, водонагрева,
- системы водоочистки, фильтрации, водоподготовки,
- системы промышленной очистки и обработки воды,
- системы перекачки и смешивания жидкостей,
- системы подачи горячей и холодной воды,
- системы производства пищи и напитков,
- сельскохозяйственные системы полива, орошения.
Эксплуатационные ограничения CNP CHL 15-30 LSWSR:
- Стандартное напряжение: 220-240В/380-415В, 50 Гц
- Температура жидкости: - тип для нормальной температуры от – 15 ºС до +70 ºС; - тип для высокой температуры от – 15 ºС до +105 ºС
- Максимально допустимое давление в корпусе насоса: 1,0 МПа (10 бар)
- Кислотность: pH 5-9
- Максимальная температура окружающей среды: +40 ºС
- Материал: EN 1.4301/AISI 304/08Х18Н10 EN 1.4401/AISI 316/08Х17Н12М3
- Насосы не предназначены для эксплуатации во взрыво- и пожароопасных помещениях.
- Высота над уровнем моря: не более 1000 м
- Насос предназначен для перекачивания чистой, невзрывоопасной, маловязкой жидкости, не содержащей абразивных, твердых или волокнистых включений (чистая вода, минеральная вода, пищевое растительное масло, химически-умерено агрессивные жидкости и др.) Жидкость, перекачиваемая насосом, не должна быть агрессивной к нержавеющей стали, что определяется рядом факторов, среди которых основными являются содержание хлора, показатель pH, температура, тип растворителя, содержание нефтепродуктов.
Конструктивные особенности CNP CHL 15-30 LSWSR:
- Корпус насоса: нержавеющая сталь AISI 304. Напорный патрубок – радиальный, всасывающий – осевой. В качестве уплотнения проточной части используется торцевое уплотнение. В корпусе насоса предусмотрено отверстие для слива рабочей жидкости, если это необходимо. Также в корпусе есть отдельное отверстие для заполнения проточной части в момент пуска, чтобы обеспечить смазывание рабочих поверхностей торцевого уплотнения.
- Рабочие колеса и диффузоры: нержавеющая сталь AISI 304. Рабочие колеса изготовлены методами штамповки и сварки из листовой нержавеющей стали и установлены на удлиненном валу электродвигателя консольно.
- Конденсатор: только для однофазных версий.
- Трехфазный электродвигатель типа TEFC (полностью закрытый электродвигатель с вентиляторным охлаждением). Степень защиты: IP55. Класс изоляции: F. Максимальная мощность однофазного двигателя Р1= 2,4 кВт. Класс энергоэффективности: IE2 (IЕЗ по запросу).
- Вал двигателя: нержавеющая сталь AISI 304.
Характеристики товара
| Напряжение питания | 380±10%, В |
| Тип насоса | Центробежный многоступенчатый |
| Максимальная производительность | 22, М³/ч |
| Максимальный напор | 38, М |
| Мощность двигателя P2 | 3000, Вт |
| Двигатель | Трехфазный |
| Макс. частота вращения двигателя | 2900, Об/мин |
| Максимальное рабочее давление | 10, Атм |
| Температура жидкости | -15...+105ºС |
| Температура окружающей среды | +1…+40°С |
| Уровень pH | 5…9 |
| Входное отверстие | 2"ВР |
| Выходное отверстие | 2"ВР |
| Материал вала | Нержавеющая сталь |
| Материал корпуса насоса | Нержавеющая сталь |
| Материал рабочего колеса | Нержавеющая сталь |
| Тип рабочего колеса | Центробежный |
| Количество ступеней | 3 |
| Вес | 34, кг |
| Класс защиты | IP55 |
| Класс изоляции | F |
| Страна бренда | Китай |
| Страна производитель | Китай |
| Гарантия производителя | 24, Мес |
- Материал рабочего колеса
- Нержавеющая сталь
- Вес
- 34, кг
- Входное отверстие
- 2"ВР
- Выходное отверстие
- 2"ВР
- Гарантия производителя
- 24, Мес
- Двигатель
- Трехфазный
- Класс защиты
- IP55
- Класс изоляции
- F
- Количество ступеней
- 3
- Макс. частота вращения двигателя
- 2900, Об/мин
- Максимальная производительность
- 22, М³/ч
- Максимальное рабочее давление
- 10, Атм
- Максимальный напор
- 38, М
- Материал вала
- Нержавеющая сталь
- Материал корпуса насоса
- Нержавеющая сталь
- Мощность двигателя P2
- 3000, Вт
- Напряжение питания
- 380±10%, В
- Страна бренда
- Китай
- Страна производитель
- Китай
- Температура жидкости
- -15...+105ºС
- Температура окружающей среды
- +1…+40°С
- Тип насоса
- Центробежный многоступенчатый
- Тип рабочего колеса
- Центробежный
- Уровень pH
- 5…9
Мы предлагаем следующие способы доставки товара:
Самовывоз из пункта выдачи
Самостоятельное получение заказа в пункте выдачи магазина или ТК. Дата и время получения заранее согласуется с менеджером магазина. Отгрузка товара юридическим лицам осуществляется только при наличии печати или правильно оформленной и заполненной доверенности, наличии паспорта получателя.
Курьерская доставка по Москве
Доставка по адресу покупателя или до пункта приема транспортной компании в г. Москве. Дата и время доставки заранее согласуется с менеджером магазина.
Доставка транспортной компанией по России
Доставка транспортной компанией по России до пункта выдачи транспортной компании или до конечного адреса покупателя.
Мы предлагаем следующие способы оплаты товара:
Оплата наличными
Оплата за наличный расчет для физических и юридических лиц. После внесения денежных средств Покупатель подписывает товаросопроводительные документы и получает кассовый чек.Безналичная оплата
Мы работаем с физическими и юридическими лицами за безналичный расчёт со 100% предоплатой с оформлением всех предусмотренных законодательством документов. Счёт на оплату направляется Покупателю на электронную почту после запроса счета через форму на сайте либо по электронной почте. Цена на заказанный товар действительна в течение 2 дней с момента оформления Заказа.Электронные способы
Оплата Заказа электронными способами, в т.ч. банковскими картами. Оплата Заказа данным способом доступна запросом ссылки на оплату у нашего менеджера.Мы предоставляем официальную гарантию на всю продукцию.
Сервис гарантии включает в себя:
- Прием в сервисном центре для диагностики дефекта.
- Ремонт (при необходимости) или замена товара.
- Бесплатную доставку клиенту после ремонта.















Нет отзывов об этом товаре.