Артикул: CNP CHL20-30LSWSR

Все товары CNP

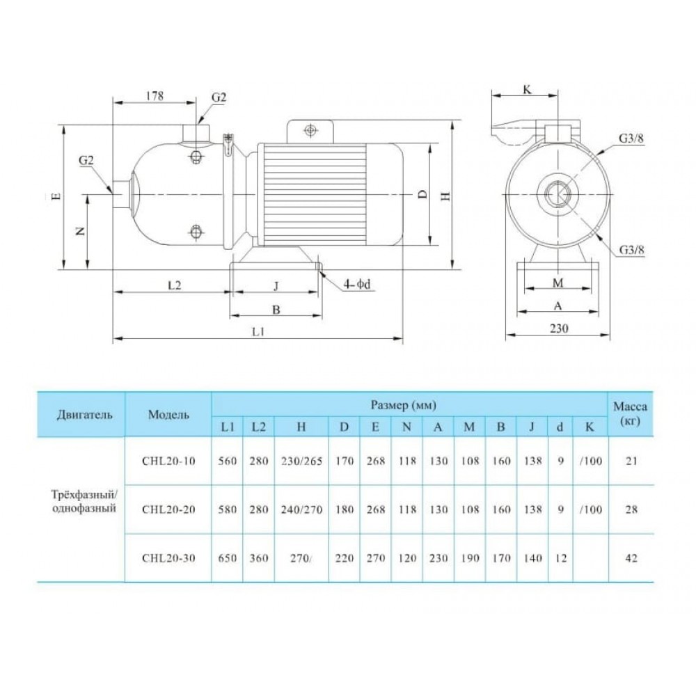
Многоступенчатый насос CNP CHL 20-30 LSWSR

Товар в наличии

Цена по запросу

Гарантия лучшей цены
Получите персональную цену на данный товар

CNP CHL 20-30 LSWSR представляет собой трехфазный горизонтальный многоступенчатый несамовсасывающий центробежный электронасос, высокотемпературное исполнение. Насосный агрегат состоит из проточной части и электродвигателя с основанием. Гидравлическая часть собрана из секций (направляющий аппарат + рабочее колесо) на удлиненном валу электродвигателя, стянута с использованием специальных стяжек с резьбовыми концами и помещена в общий корпус, изготовленный из нержавеющей стали.

Насос CNP CHL 20-30 LSWSR предназначен для перекачивания чистой неагрессивной горячей воды с температурой до 105ºС, pH 5-9, без взвешенных частиц, в системах водоснабжения жилищно-коммунального хозяйства и промышленных систем:

  • установки повышения давления в системах водоснабжения,
  • системы кондиционирования воздуха,
  • системы охлаждения, циркуляции, водонагрева,
  • системы водоочистки, фильтрации, водоподготовки,
  • системы промышленной очистки и обработки воды,
  • системы перекачки и смешивания жидкостей,
  • системы подачи горячей и холодной воды,
  • системы производства пищи и напитков,
  • сельскохозяйственные системы полива, орошения.


Эксплуатационные ограничения CNP CHL 20-30 LSWSR:

  • Стандартное напряжение: 220-240В/380-415В, 50 Гц
  • Температура жидкости: - тип для нормальной температуры от – 15 ºС до +70 ºС; - тип для высокой температуры от – 15 ºС до +105 ºС
  • Максимально допустимое давление в корпусе насоса: 1,0 МПа (10 бар)
  • Кислотность: pH 5-9
  • Максимальная температура окружающей среды: +40 ºС
  • Материал: EN 1.4301/AISI 304/08Х18Н10 EN 1.4401/AISI 316/08Х17Н12М3
  • Насосы не предназначены для эксплуатации во взрыво- и пожароопасных помещениях.
  • Высота над уровнем моря: не более 1000 м
  • Насос предназначен для перекачивания чистой, невзрывоопасной, маловязкой жидкости, не содержащей абразивных, твердых или волокнистых включений (чистая вода, минеральная вода, пищевое растительное масло, химически-умерено агрессивные жидкости и др.) Жидкость, перекачиваемая насосом, не должна быть агрессивной к нержавеющей стали, что определяется рядом факторов, среди которых основными являются содержание хлора, показатель pH, температура, тип растворителя, содержание нефтепродуктов.


Конструктивные особенности CNP CHL 20-30 LSWSR:

  • Корпус насоса: нержавеющая сталь AISI 304. Напорный патрубок – радиальный, всасывающий – осевой. В качестве уплотнения проточной части используется торцевое уплотнение. В корпусе насоса предусмотрено отверстие для слива рабочей жидкости, если это необходимо. Также в корпусе есть отдельное отверстие для заполнения проточной части в момент пуска, чтобы обеспечить смазывание рабочих поверхностей торцевого уплотнения.
  • Рабочие колеса и диффузоры: нержавеющая сталь AISI 304. Рабочие колеса изготовлены методами штамповки и сварки из листовой нержавеющей стали и установлены на удлиненном валу электродвигателя консольно.
  • Конденсатор: только для однофазных версий.
  • Трехфазный электродвигатель типа TEFC (полностью закрытый электродвигатель с вентиляторным охлаждением). Степень защиты: IP55. Класс изоляции: F. Максимальная мощность однофазного двигателя Р1= 2,4 кВт. Класс энергоэффективности: IE2 (IЕЗ по запросу).
  • Вал двигателя: нержавеющая сталь AISI 304.

Характеристики товара

Напряжение питания380±10%, В
Тип насосаЦентробежный многоступенчатый
Максимальная производительность28, М³/ч
Максимальный напор39.5, М
Мощность двигателя P24000, Вт
ДвигательТрехфазный
Макс. частота вращения двигателя2900, Об/мин
Максимальное рабочее давление10, Атм
Температура жидкости-15...+105ºС
Температура окружающей среды+1…+40°С
Уровень pH5…9
Входное отверстие2"ВР
Выходное отверстие2"ВР
Материал валаНержавеющая сталь
Материал корпуса насосаНержавеющая сталь
Материал рабочего колесаНержавеющая сталь
Тип рабочего колесаЦентробежный
Количество ступеней3
Вес42, кг
Класс защитыIP55
Класс изоляцииF
Страна брендаКитай
Страна производительКитай
Гарантия производителя24, Мес
Материал рабочего колеса
Нержавеющая сталь
Характеристики
Вес
42, кг
Входное отверстие
2"ВР
Выходное отверстие
2"ВР
Гарантия производителя
24, Мес
Двигатель
Трехфазный
Класс защиты
IP55
Класс изоляции
F
Количество ступеней
3
Макс. частота вращения двигателя
2900, Об/мин
Максимальная производительность
28, М³/ч
Максимальное рабочее давление
10, Атм
Максимальный напор
39.5, М
Материал вала
Нержавеющая сталь
Материал корпуса насоса
Нержавеющая сталь
Мощность двигателя P2
4000, Вт
Напряжение питания
380±10%, В
Страна бренда
Китай
Страна производитель
Китай
Температура жидкости
-15...+105ºС
Температура окружающей среды
+1…+40°С
Тип насоса
Центробежный многоступенчатый
Тип рабочего колеса
Центробежный
Уровень pH
5…9

Мы предлагаем следующие способы доставки товара:

Самовывоз из пункта выдачи

Самостоятельное получение заказа в пункте выдачи магазина или ТК. Дата и время получения заранее согласуется с менеджером магазина. Отгрузка товара юридическим лицам осуществляется только при наличии печати или правильно оформленной и заполненной доверенности, наличии паспорта получателя.

Курьерская доставка по Москве

Доставка по адресу покупателя или до пункта приема транспортной компании в г. Москве. Дата и время доставки заранее согласуется с менеджером магазина.

Доставка транспортной компанией по России

Доставка транспортной компанией по России до пункта выдачи транспортной компании или до конечного адреса покупателя.

 

Мы предлагаем следующие способы оплаты товара:

Оплата наличными

Оплата за наличный расчет для физических и юридических лиц. После внесения денежных средств Покупатель подписывает товаросопроводительные документы и получает кассовый чек. 

Безналичная оплата

Мы работаем с физическими и юридическими лицами за безналичный расчёт со 100% предоплатой с оформлением всех предусмотренных законодательством документов. Счёт на оплату направляется Покупателю на электронную почту после запроса счета через форму на сайте либо по электронной почте. Цена на заказанный товар действительна в течение 2 дней с момента оформления Заказа.

Электронные способы

Оплата Заказа электронными способами, в т.ч. банковскими картами. Оплата Заказа данным способом доступна запросом ссылки на оплату у нашего менеджера.  

Мы предоставляем официальную гарантию на всю продукцию.

Сервис гарантии включает в себя:

  • Прием в сервисном центре для диагностики дефекта.
  • Ремонт (при необходимости) или замена товара.
  • Бесплатную доставку клиенту после ремонта.
Товары этой же категории
Отзывы0

Нет отзывов об этом товаре.

Написать отзыв

Рейтинг

Отзывы с оценкой
0% 0 отзывов
0% 0 отзывов
0% 0 отзывов
0% 0 отзывов
0% 0 отзывов