




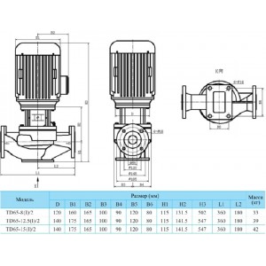
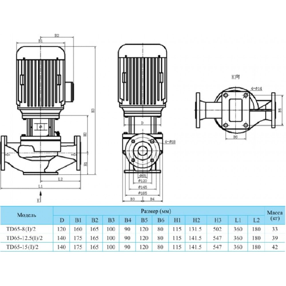
Артикул: CNP TD65-12,5(I)/2SWSCJ
Вертикальный одноступенчатый циркуляционный насос CNP TD 65-12,5(I)/2 SWSCJ
Товар в наличии
Цена по запросу
CNP TD 65-12,5(I)/2SWSCJ - одноступенчатый рядный циркуляционный центробежный вертикальный насос одностороннего всасывания с соосным размещением патрубков «in-line».
Используется для циркуляции жидкости в котельных, центральных тепловых пунктах, в подкачивающих насосных станциях центрального отопления, в контурах циркуляции технологического охлаждения, в системах циркуляции кондиционирования. Возможно применение в системах пожаротушения и повышения давления.
Преимуществом насоса являются энергосбережение, низкий уровень шума, надежность работы и компактность. Насос легко собирать и разбирать, а также присоединять к трубопроводной системе. Следовательно, даже для самых больших агрегатов сервисные работы могут быть проведены силами одного человека.
- Корпус и рабочее колесо насоса выполнены из нержавеющей стали.
- Конструкция насоса с «сухим» ротором делает его менее чувствительными к включениям в перекачиваемой среде по сравнению с подобными насосами с «мокрым» ротором.
- Проточная часть насоса изготовлена при помощи технологии точного литья, в результате которой достигается минимум потерь на трение и высокая эффективность работы. Возможно исполнения корпуса из нержавеющей стали.
- Насосы могут поставляться со шкафом управления, обеспечивающим защиту от “сухого хода”, несовпадения, выпадания фаз и перегрузки. По запросу частотное регулирование двигателя.
- Рабочая жидкость должна быть чистой, маловязкой, неагрессивной к материалам насоса, невоспламеняющейся и не взрывоопасной (без взрыво-защищенного двигателя), а также не должна содержать крупные абразивные твердые частицы или длинноволокнистые включения, которые могут повредить механическое уплотнение насоса;
- Максимальное рабочее давление: стандартное исполнение – 12 бар; специальное исполнение – 16 бар;
- Оригинальное уплотнение (резиновое кольцо) подходит исключительно для воды или жидкости с кислотностью PH 4-9. Если в жидкостях для перекачки содержатся минералы, масло, химические вещества, либо используется какаялибо другая жидкость, кроме воды, следует выбрать другое резиновое кольцо.
Характеристики товара
| Напряжение питания | 380±10%, В |
| Тип насоса | Центробежный одноступенчатый |
| Максимальная производительность | 30, М³/ч |
| Максимальный напор | 15.5, М |
| Номинальная производительность | 25, м³/ч |
| Номинальный напор | 12.5, м |
| Количество скоростей | 1 |
| Мощность двигателя P2 | 1500, Вт |
| Двигатель | Трехфазный |
| Макс. частота вращения двигателя | 2900, Об/мин |
| Максимальное рабочее давление | 12, Атм |
| Температура жидкости | -15...+115°С |
| Температура окружающей среды | +1…+40°С |
| Монтажная длина | 360, Мм |
| Присоединительные патрубки | DN65 фланец |
| Трубное присоединение | DN65 фланец (2 1/2") |
| Уплотнение | Карбид графита - карбид кремния |
| Материал вала | Нержавеющая сталь |
| Материал корпуса насоса | Чугун |
| Материал рабочего колеса | Нержавеющая сталь |
| Тип рабочего колеса | Центробежный |
| Вес | 39, кг |
| Класс энергоэффективности | IE2 |
| Класс защиты | IP55 |
| Класс изоляции | F |
| Страна бренда | Китай |
| Гарантия производителя | 24, Мес |
- Материал рабочего колеса
- Нержавеющая сталь
- Вес
- 39, кг
- Гарантия производителя
- 24, Мес
- Двигатель
- Трехфазный
- Класс защиты
- IP55
- Класс изоляции
- F
- Класс энергоэффективности
- IE2
- Количество скоростей
- 1
- Макс. частота вращения двигателя
- 2900, Об/мин
- Максимальная производительность
- 30, М³/ч
- Максимальное рабочее давление
- 12, Атм
- Максимальный напор
- 15.5, М
- Материал вала
- Нержавеющая сталь
- Материал корпуса насоса
- Чугун
- Монтажная длина
- 360, Мм
- Мощность двигателя P2
- 1500, Вт
- Напряжение питания
- 380±10%, В
- Номинальная производительность
- 25, м³/ч
- Номинальный напор
- 12.5, м
- Присоединительные патрубки
- DN65 фланец
- Страна бренда
- Китай
- Температура жидкости
- -15...+115°С
- Температура окружающей среды
- +1…+40°С
- Тип насоса
- Центробежный одноступенчатый
- Тип рабочего колеса
- Центробежный
- Трубное присоединение
- DN65 фланец (2 1/2")
- Уплотнение
- Карбид графита - карбид кремния
Мы предлагаем следующие способы доставки товара:
Самовывоз из пункта выдачи
Самостоятельное получение заказа в пункте выдачи магазина или ТК. Дата и время получения заранее согласуется с менеджером магазина. Отгрузка товара юридическим лицам осуществляется только при наличии печати или правильно оформленной и заполненной доверенности, наличии паспорта получателя.
Курьерская доставка по Москве
Доставка по адресу покупателя или до пункта приема транспортной компании в г. Москве. Дата и время доставки заранее согласуется с менеджером магазина.
Доставка транспортной компанией по России
Доставка транспортной компанией по России до пункта выдачи транспортной компании или до конечного адреса покупателя.
Мы предлагаем следующие способы оплаты товара:
Оплата наличными
Оплата за наличный расчет для физических и юридических лиц. После внесения денежных средств Покупатель подписывает товаросопроводительные документы и получает кассовый чек.Безналичная оплата
Мы работаем с физическими и юридическими лицами за безналичный расчёт со 100% предоплатой с оформлением всех предусмотренных законодательством документов. Счёт на оплату направляется Покупателю на электронную почту после запроса счета через форму на сайте либо по электронной почте. Цена на заказанный товар действительна в течение 2 дней с момента оформления Заказа.Электронные способы
Оплата Заказа электронными способами, в т.ч. банковскими картами. Оплата Заказа данным способом доступна запросом ссылки на оплату у нашего менеджера.Мы предоставляем официальную гарантию на всю продукцию.
Сервис гарантии включает в себя:
- Прием в сервисном центре для диагностики дефекта.
- Ремонт (при необходимости) или замена товара.
- Бесплатную доставку клиенту после ремонта.















Нет отзывов об этом товаре.